Product introduction
Insulation pipe hanger is the connecting piece between the pipe and the steel structure or concrete bracket supporting the pipe, is a foam of bracket.Use professional foam materials as insulation and load-bearing parts, have the functions of fixing And carrying pipes.It plays an important role in ensuring the thermal insulation effect maintaining the system tightness

Product feature
1.Flexible,tough and durable.
2Fast and easy installation.
3.Prevent damage to the pipeline due to condensation during use
4.The fastening bolts have anti-dropping measures, and the built-in hoop has strong bearing capacity.
5.The tube bundle has a smooth surface and is precisely bonded to the pipe surface.
6.Suitable for installation of heavy duty pipe supports up to DIN 200
7.Excellent ozone and ultraviolet ray resistance.
8.Thermal insulation, heat-resistant, waterproof, fire-retardant properties.
Product application
1.Widely used in central air conditioning, construction, chemical industry, medicine, light industry, textile, metallurgy, ships, automobiles, electrical appliances and other lines of cold, hot pipes and containers.
2.Applied to water and cooling pipe of air conditioning system, cooling and heat preservation, the ideal application effect has been achieved.
Product Data Sheet | |
Material | Closed cavity polyurethane |
Size | Custom |
Color | Black/gray |
Compressive strength | 2.4N/mm2 |
Thermal Conductivity | 0.042 W/(m. k) |
Density | 20-200 kg/m3 |
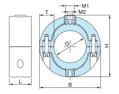
Item | Product | Hoop range | Pipe spec | Pipe spec | Tube bundle width | Tube bundle material width and thickness | Recommended design load | Packing |
| D(mm) | D('') | DN(mm) | L(mm) | b*s(mm) | F a,z(n) | 個(gè) | ||
| 088 0 015 | Pipe support | 15,0 | - | - | 88 | 40*30 | 360 | 10 |
| 088 0 017 | Pipe support | 17,2 | 0.375 | 10 | 88 | 40*30 | 410 | 10 |
| 088 0 018 | Pipe support | 18,0 | - | - | 88 | 40*30 | 430 | 10 |
088 0 021 | Pipe support | 21,3 | 0.5 | 15 | 88 | 40*30 | 510 | 10 |
| 088 0 022 | Pipe support | 22,0 | - | - | 88 | 40*30 | 530 | 10 |
| 088 0 027 | Pipe support | 26,9 | 0.75 | 20 | 88 | 40*30 | 650 | 10 |
| 088 0 028 | Pipe support | 28,0 | - | - | 88 | 40*30 | 670 | 10 |
| 088 0 033 | Pipe support | 33,7 | 1 | 25 | 95 | 40*30 | 810 | 10 |
| 088 0 035 | Pipe support | 35,0 | - | - | 95 | 40*30 | 840 | 10 |
| 088 0 042 | Pipe support | 42,4 | 1.25 | 32 | 102 | 40*30 | 1.020 | 10 |
| 088 0 048 | Pipe support | 48,3 | 1.5 | 40 | 108 | 40*30 | 1.160 | 10 |
| 088 0 054 | Pipe support | 54,0 | - | - | 117 | 40*30 | 1.300 | 10 |
| 088 0 057 | Pipe support | 57,0 | - | - | 117 | 40*30 | 1.370 | 10 |
| 088 0 060 | Pipe support | 60,3 | 2 | 50 | 120 | 50*30 | 1.810 | 10 |
| 088 0 076 | Pipe support | 76,1 | 2.5 | 65 | 136 | 50*30 | 2.280 | 10 |
| 088 0 089 | Pipe support | 88,9 | 3 | 80 | 149 | 50*30 | 2.670 | 10 |
| 088 0 108 | Pipe support | 108,0 | - | - | 188 | 60*40 | 3.890 | 10 |
| 088 0 114 | Pipe support | 114,3 | 4 | 100 | 195 | 60*40 | 4.120 | 3 |
| 088 0 133 | Pipe support | 133,0 | - | - | 220 | 60*40 | 4.790 | 5 |
| 088 0 139 | Pipe support | 139,7 | 5 | 125 | 220 | 60*40 | 5.030 | 5 |
| 088 0 159 | Pipe support | 159,0 | - | - | 240 | 60*40 | 5.720 | 5 |
| 088 0 168 | Pipe support | 168,3 | 6 | 150 | 250 | 60*40 | 6.060 | 5 |
088 0 219 | Pipe support | 219,1 | 8 | 200 | 340 | 100*60 | 13.150 | 5 |
